Westfalia California 1992    1-16 | 17-30

017

018

019

020

017.jpg

018.jpg

019.jpg

020.jpg

021

022

023

024

021.jpg

022.jpg

023.jpg

024.jpg

025

026

027

028

025.jpg

026.jpg

027.jpg

028.jpg

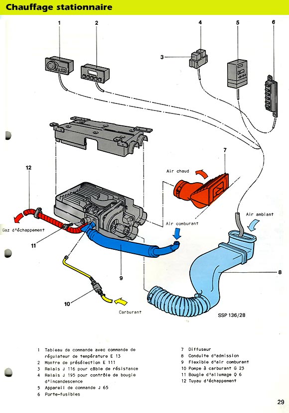
029

030

029.jpg

030.jpg